I am a passionate Mechanical Engineer with expertise in product development, subsurface simulation, and mechanical
system design. I thrive in problem-solving environments and have worked on innovative projects with global leaders
like Dell, HP, Intel, and Corsair. I am committed to delivering efficient, high-performance solutions for complex challenges.
Projects
Terraferno Geothermal Solution
Collaborated with a multidisciplinary team to design and simulate subsurface geothermal systems, enhancing
efficiency and cost-effectiveness in geothermal energy solutions.
Zero Turn Radius Vehicle
Designed and prototyped a zero-turning radius vehicle to improve maneuverability in tight spaces, incorporating
wireless steering and automated fault diagnostics for enhanced durability.
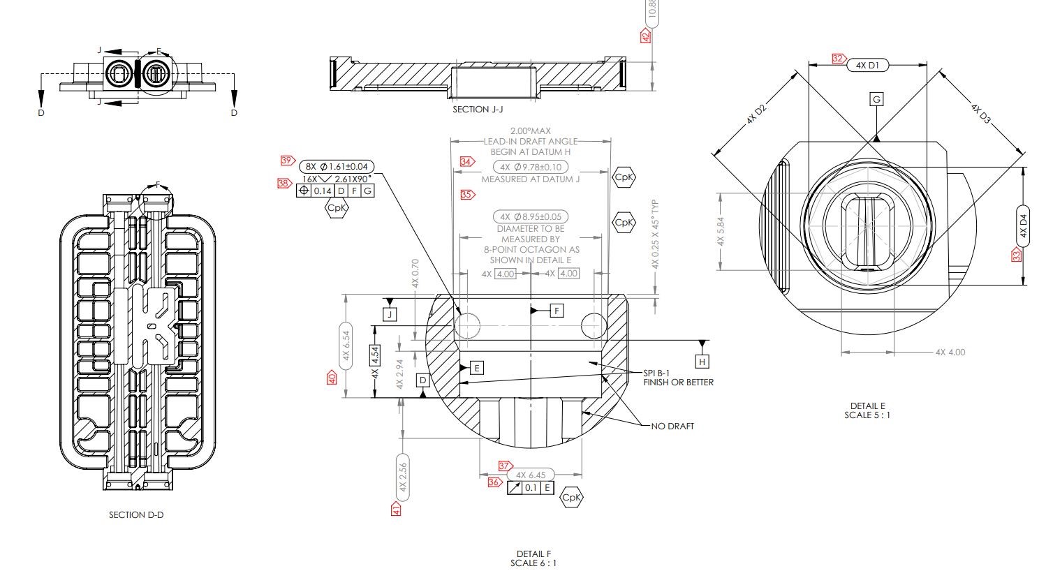
Gallery
Below are images (1–8) showcasing my work, CAD drawings, and other mechanical engineering highlights.
Work Experience
CoolIT Systems - Part Qualification Engineer (EIT)
November 2019 - October 2024
Developed a detailed process documentation framework, aligning project lifecycle management, regulatory compliance, and ECR/ECO processes.
Led end-to-end mechanical engineering projects (budgeting, quoting, and scheduling), ensuring timely delivery and high-quality standards.
Transitioned to a new domestic vendor for plastic, steel, and rubber components, reducing lead times by 30% and material costs by 15%.
Coordinated international project teams and clients, managing timelines and deliverables for large-scale, multi-location projects.
Achieved >95% simulation accuracy using Six Sigma software for part analysis, resulting in $500K in cost savings.
Executed testing to qualify hundreds of parts in cooling equipment valued up to $25K, directing redesign efforts based on test results.
Enhanced supplier collaboration by incorporating DFM reviews, mold flow analysis, and supplier audits, improving compliance with ASTM and ISO standards.
Optimized mechanical and thermal design for cooling products, reducing post-production failures by 20% and improving heat dissipation efficiency by 10-20%.
Giffin Traffiks LLC - Quality Control Engineer
August 2014 - August 2016
Oversaw quality assurance for 200+ projects annually, ensuring compliance with ISO, ASTM, ASME, and AWS standards.
Led optimization of hand-spray painting systems for automotive components, achieving a 20% reduction in cycle times and improved coating consistency.
Conducted supplier audits and implemented quality control measures for outsourced powder coating and plating, reducing defect rates by 15%.
Assessed material test reports, validated engineering standards, and reviewed ITPs, WPS, NDE, and NCRs for adherence to project specifications.
Oversaw surface preparation processes, including sandblasting, ensuring proper adhesion of primer, intermediate, and final coats.
Utilized Elcometer tools to measure coating thickness, adhesion, and uniformity, identifying and addressing defects such as runs or uneven thickness.
Developed detailed documentation for hand-spray paint procedures, including troubleshooting guides for application and curing issues.
Applied knowledge of paint chemistry (solvent-borne and water-borne) to optimize formulations for adhesion, durability, and environmental resistance.